Ключ (электротехника)

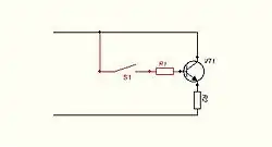
Схема транзисторного ключа по схеме с общим коллектором, включающего и выключающего ток в нагрузку R2. На рисунке в качестве управления ключом показан механический ключ S1, но обычно сигнал управления на такой ключ подаётся от логических элементов или логических выходов микроконтроллера.

Ключ (переключа́тель, выключа́тель) — электрический коммутационный аппарат или устройство, применяется для замыкания и/или размыкания электрической цепи или группы электрических цепей.

Терминология

Выключателем может называться коммутационный аппарат, не имеющий собственного названия, имеющий как минимум два фиксированных положения своих контактов («включено» и «отключено») и способный изменить это положение под действием внешних воздействий на другое положение контактов («включено» или «отключено») на малый или большой промежуток времени.

Варианты исполнения

Выключатель освещения
Переключатель режимов напольного вентилятора
Тумблер (переключатель электрических цепей в радиоэлектронной аппаратуре)
Вставленный в розетку электротройник со встроенным выключателем

Ключи бывают механическими, электромагнитными и электронными.

Механические ключи

Механические ключи служат для непосредственного управления цепью; рычаг механического ключа изготовлен из диэлектрика и обычно напрямую связан с токоведущими частями ключа. Как правило, применяются в случаях, когда не требуется отделять управляемую цепь.

Механические ключи:

  • выключатели освещения и бытовых приборов;
  • пакетные выключатели;
  • тумблеры (переключатели характерной конструкции с приводом рычажно-пружинного исполнения);
  • переключатели различных конструкций: галетные, клавишные, движковые и др.;
  • кнопки: с самовозвратом, фиксирующиеся, с зависимой фиксацией.

Электромагнитные ключи

Положения «включено» и «отключено» электромагнитного ключа

Электромагнитные ключи служат для дистанционного управления цепями, для управления высоковольтными цепями (в случаях, когда опасно управлять напрямую механическим ключом), для создания гальванической развязки между устройством управления и нагрузками, для синхронного управления несколькими цепями от одного сигнала.

Для защиты управляющей цепи от импульса самоиндукции, возникающей при снятии напряжения с обмотки, параллельно ей включают диод в направлении, обратном полярности управляющего напряжения. Данный способ неприменим при использовании обмотки, питаемой переменным током.

Электромагнитные ключи:

Электронные ключи

В электронных ключах и ключевых схемах применяются различные электронные приборы.

В неуправляемых электронных ключах:

В управляемых электронных ключах:

Транзисторный ключ — токовый ключ, выполненный на одном или нескольких транзисторах, работающих в ключевом режиме. Изменение электропроводности транзистора, обусловливающее переключение тока в нагрузке, обеспечивается подачей на его управляющий электрод управляющего напряжения определённой полярности и уровня.

Работа электронных ключей основана на ключевых свойствах транзисторов. Например, ключи на биполярных транзисторах включённых по схеме с общим эмиттером работают следующим образом. При подаче на базу транзистора сигнала низкого уровня («логический 0») относительно эмиттера транзистор закрыт, ток через транзистор не идёт, при этом на коллекторе транзистора будет всё напряжение питания нагрузки. При подаче на базу транзистора сигнала высокого уровня «логической 1», транзистор открывается и в цепи коллектор-эмиттер возникает ток. Напряжение между коллектором и эмиттером становится малым, при этом все напряжения питания нагрузки оказывается приложенным к нагрузке.

Также возможно использование полевых транзисторов. Принцип их работы схож с принципом работы электронных ключей на биполярных транзисторах. Ключи на полевых транзисторах потребляют меньшую мощность управления и имеют лучшее быстродействие.

В ключевом режиме могут работать как обычные (полевые и биполярные) транзисторы, так и транзисторы, специально разработанные для работы в ключевом режиме (IGBT-транзисторы).

Особое место занимают силовые электронные ключи (электронные ключи силовой электроники), предназначенные для работы в импульсных преобразователях электрической энергии.

Классификация

Выключатели и ключи можно классифицировать следующим образом:

  1. по числу фиксированных положений контактов:
  2. по рабочему напряжению:
    • низковольтные (до 1000 вольт);
    • высоковольтные (выше 1000 вольт);
  3. по рабочему току;
  4. по отключаемому току короткого замыкания;
  5. по способу управления приводом:
    • местного управления (как правило, выключатели, имеющие ручной привод);
    • дистанционного управления (выключатели, имеющие, помимо ручного, ещё и механический привод. Здесь стоит отметить, что не все виды выключателей можно включить или отключить вручную);
  6. по типу привода:
    • выключатели с ручным приводом;
    • выключатели с пневматическим приводом;
    • выключатели с электромагнитным приводом;
    • выключатели с электромеханическим приводом;
    • выключатели с механическим приводом;
    • выключатели с магнитным приводом (геркон);
    • автоматические выключатели (которые, помимо ручного привода, имеют один или несколько приводов, приводимых в действие расцепителями автоматической защиты);
  7. по способу установки:
    • открытого исполнения (то есть, выключатели, допускающие установку на открытом воздухе без защиты от атмосферных осадков);
    • закрытого исполнения (то есть, выключатели, которые не допускается устанавливать на открытом воздухе);
  8. по степени влагозащищённости, пылезащищённости и защиты от проникновения посторонних предметов (IP) и взрывозащищённости;
  9. по климатическому исполнению;
  10. по наличию или отсутствию дугогасящих устройств:
    • без специальных устройств дугогашения (как правило, слаботочные выключатели и переключатели или выключатели, в которых наличие дугогасящих устройств конструктивно не предусмотрено, например рубильники, разъединители);
    • со специальными устройствами дугогашения (выключатели, предназначенные для отключения цепей с большим током, в том числе и экстратоков при возникновении короткого замыкания, при отключении которых велик риск образования электрической дуги);
  11. по способу гашения дуги или по виду дугогасящих устройств:
    • воздушные выключатели:
      • с дугогасительными камерами магнитного дутья;
      • с дугогасительными камерами газового дутья;
    • масляные выключатели:
      • с дугогасительными камерами магнитного дутья;
      • с дугогасительными камерами масляного дутья;
    • маломасляные выключатели;
    • вакуумные выключатели;
  12. по характеру дугогасящей среды:
  13. по материалу и исполнению коммутирующих контактов:
    • цельнометаллические контакты;
    • цельнометаллические контакты с покрытием драгоценных металлов:
    • металло-керамические контакты:
      • контакты, изготовленные из сплава технического серебра с гранулированным керамическим наполнителем методом порошковой металлургии;
    • жидкие контакты:
      • ртутный контакт. Например, в выключателях, реагирующих на изменение положения в пространстве, жидким контактом является капля ртути, которая, попадая между электродами, замыкает электрическую цепь (газовое реле);
      • контакты, замыкание которых выполняет любая токопроводящая жидкость. Например, в датчиках уровня, вода при смачивании электродов замыкает электрическую цепь.

Бытовой выключатель

Бытовой выключатель — двухпозиционный коммутационный аппарат с нормально-разомкнутыми контактами, предназначенный для работы в сетях с напряжением до 1000 вольт, не предназначенный для отключения токов короткого замыкания, без специальных устройств дугогашения, местного управления, с ручным приводом.

Остальные характеристики этого выключателя, такие как рабочий ток, степень влаго-, пыле- и взрывозащищённости (IP), климатическое исполнение, способ установки, материал контактов — определяются производителем и зависят от конкретной модели.

Более того, для бытового выключателя актуально конструктивное исполнение:

  • для внутренней установки (встраиваемым в стену, для скрытой проводки);
  • для внешней установки (устанавливаемым на стену, для открытой проводки).

В основном применяются для включения и выключения освещения (люстр, плафонов). Для этой же цели в продаже появились выключатели с плавным управлением освещённости: светорегуляторы, диммеры, триммеры.

Акустический выключатель

Акустический выключатель — электрический выключатель, управляемый звуком.

Типы акустических выключателей:

  1. выключатели, реагирующие на шум. Такой выключатель включает свет при появлении шума в помещении. Применяется в подъездах и коридорах для экономии электроэнергии;
  2. выключатели, реагирующие на хлопок. Такой выключатель применяется в квартирах, удобен для применения в спальнях;
  3. выключатели, реагирующие на слова. Такой выключатель реагирует на определённое слово или тон голоса.

См. также

Ссылки